6027 Patch Microphone All Directional Patch Microphone

6027 Patch Microphone All Directional Patch Microphone

Find out more about the ECM-B6027AL-SMD-40 SMD microphone capsule, which provides outstanding omnsidional directivity and sensitivity for small device sound recording.
Send Inquiry
Product Introduction

Superior 6027 patch microphone surface mount device (SMD) All-directional patch microphones are small, effective, highly audio quality ones. With an output impedance of 2.2KΩ and a sensitivity of -40±2dB this capsule permits exact and open sound reproduction. From consumer devices to professional audio equipment, its omni-directional directivity provides comprehensive sound capture, therefore making it appropriate for a variety of applications. This 6 x 2.7mm capsule fits in tiny locations rather easily without consuming additional room to improve audio quality.

 

Features
  • High sensitivity: -40±2dB to fully and exactly reproduce sound.
  • captures sound from all directions to assure their authenticity and balance.
  • Many types of audio projects might benefit from its wide frequency range, 20–16000 Hz.
  • Including six by two seven millimetre into little devices is simple.
  • The huge maximum SPL of 110dB guarantees clear sound even at very high levels.
  • From an excellent S/N ratio of 58dB, little background noise and high-quality audio output follow.

 

Applications
smart speakers
6027 Patch Microphone for Smart Speakers
tws headphones
6027 Patch Microphone for TWS Headphones
specifications

 

Name Parameter
Sensitivity

-40±2dB

Output impedance 2.2KΩ
Directivity

omni

Frequency range

20-16000Hz

Maximum SPL 110dB
S/N Ratio

58 dB

Dimensions 6 x 2.7mm

 

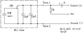
circuit
STANDARD TEST CIRCUIT
dimension
TYPICAL FREQUENCY RESPONSE
response
APPEARANCE & DIMENSION

 

Why Choose Us

All Directional Patch Microphone is made possible in part by our aggressive 6027 Patch Microphone Bulk buy savings, meticulous packing to avoid damage during transport, and a number of shipping alternatives to fit varying delivery requirements. Certifications and tight quality control methods let every capsule satisfy performance and durability criteria set by the industry.

Send Inquiry

whatsapp

Phone

E-mail

Inquiry