The Professional Noise-Canceling Condenser Microphone Capsule is designed to provide exceptional sound clarity with superior noise reduction. With a sensitivity of -45±3dB and a frequency response from 100Hz to 16kHz, it captures detailed audio while effectively blocking out unwanted background noise. Its uni-directional design focuses on isolating the primary sound source, making it ideal for environments like broadcasting and live performances. Compact yet durable, measuring 16 x 6.3mm, this microphone capsule delivers reliable, high-quality audio capture in demanding applications.
Professional Noise Reduction Condenser Microphone Capsule
Professional Noise Reduction Condenser Microphone Capsule,
designed for high-fidelity sound capture and superior noise
isolation, ideal for broadcasting, recording, and live
performances.
Send Inquiry
Product Introduction
Features
- Sensitivity: -45±3dB, ensuring precise sound capture
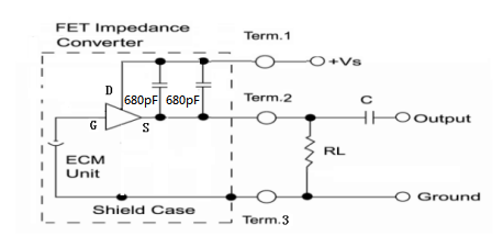
- Output Impedance: 0.68kΩ, compatible with a wide range of audio equipment
- Directivity: Uni-directional, effectively reduces background noise
- Frequency Range: 100Hz to 16kHz, delivering a clear and natural sound profile
- Maximum SPL: 130dB, handles loud sounds without distortion
- Compact Size: 16 x 6.3mm, easy to integrate into various applications
Applications
Microphone Capsule for Vocal Microphone
Microphone Capsule for Broadcast Microphone
specifications
| Name | Parameter |
| Sensitivity |
-45±3dB |
| Output impedance |
0.68kΩ |
| Directivity | Uni-directional |
| Frequency range | 100-16KHz |
| Maximum SPL | 130dB |
| S/N Ratio |
65dB |
| Dimensions | 16 x 6.3mm |
|
|
|
Why Choose Us
- Superior Quality Control: We prioritize quality through rigorous manufacturing processes, ensuring consistent performance.
- Expertise in Audio Solutions: With years of industry experience, we understand the needs of professionals and deliver accordingly.
- Reliable Performance: Our Professional Noise Reduction Condenser Microphone Capsule is designed for stability and high-quality sound, making it perfect for demanding environments.
- Comprehensive Support: Our dedicated customer support team is always ready to assist with product inquiries and technical questions, ensuring a smooth user experience.
Hot Tags: professional noise reduction condenser microphone capsule, China professional noise reduction condenser microphone capsule manufacturers, suppliers, reliable microphone, portable microphone, smartphone microphone, public address microphone, amplification microphone
You Might Also Like
Send Inquiry









