The Omnidirectional Anti-Interference Electric Mic ensures consistent audio performance, capturing sound from all directions while minimizing background noise and electromagnetic interference. With a compact 4 x 1.5mm form factor, it seamlessly integrates into space-limited applications, providing reliable sound quality for communication systems, security devices, and various audio equipment. Featuring a high signal-to-noise ratio and exceptional anti-interference capabilities, this microphone is built to deliver clear, intelligible audio in environments where performance is crucial.
Omnidirectional Anti-Interference Electric Mic
Features
- High Sensitivity: Captures even subtle sounds with a sensitivity of -29±3dB.
- Omnidirectional Pickup: Ensures 360-degree sound collection for consistent audio quality.
- Anti-Interference Design: Reduces noise and interference for clear sound transmission.
- Wide Frequency Range: Operates effectively between 50-16KHz for versatile use cases.
- Compact Dimensions: At just 4 × 1.5mm, it's ideal for small devices and space-constrained applications.
- Durability: Built to handle up to 110dB SPL, making it suitable for loud environments.
Applications
|
|
|
|
Headset Microphone Designed for continuous wear and reliability, this headset microphone delivers crisp, clear audio while ensuring comfort during extended use. Its unidirectional pickup pattern focuses solely on the speaker's voice, reducing surrounding noise. Perfect for dynamic environments where movement and interaction are key, such as public speaking, presentations, or teaching, this microphone offers stability and comfort, allowing the user to move freely without compromising on sound quality. Ideal for professional settings, it blends performance with long-lasting wearability. |
Lavalier MicrophoneThis compact lavalier microphone is tailored for discreet, high-quality audio capture in any setting. Lightweight and easy to clip onto clothing, it remains unobtrusive while delivering clear voice transmission. With its unidirectional design, it minimizes ambient noise, ensuring your message comes through clearly, whether in interviews, presentations, or on-camera appearances. The microphone's small size allows for complete freedom of movement, making it a perfect solution for situations where subtlety, flexibility, and superior audio quality are required. |
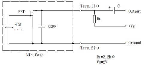
specifications
| Name | Parameter |
| Model |
ECM-B4015AL29-L |
| Sensitivity |
-29±3dB |
| Output impedance |
2.2kΩ |
| Directivity | Omnidirectional |
| Frequency range | 50-16KHz |
| Maximum SPL |
110dB |
| S/N Ratio |
60dB |
| Dimensions | 4 x 1.5mm |
|
|
|
Why Choose Us
Choosing the Omnidirectional Anti-Interference Electric Mic means working with a trusted manufacturer committed to precision and innovation in microphone technology. With years of expertise in producing high-quality microphone components, we ensure that every unit is designed to meet modern demands. Our advanced manufacturing facilities, equipped with state-of-the-art production lines, guarantee consistent performance and adherence to rigorous quality standards. We offer tailored solutions, customizing designs and specifications to suit your unique application needs. Whether in high-noise environments or interference-prone settings, our dedication to excellence ensures the ECM-B4015AL29-L delivers clear, reliable performance every time.
Hot Tags: omnidirectional anti-interference electric mic, China omnidirectional anti-interference electric mic manufacturers, suppliers, electret condenser microphone, clip on microphone, microphone for recording, smartphone microphone, high quality microphone, microphone limiter
You Might Also Like
Send Inquiry









