6027 Electret Condenser Microphone with Soldering Wire
The 6027 Electret Condenser Microphone with Soldering Wire is engineered for seamless integration into audio devices where consistent sensitivity and compact size are key. With a wide frequency response of 50–20,000Hz and a sensitivity of -38±2dB, this capsule ensures clear, balanced sound reproduction. The omni-directional design captures sound from all directions, making it ideal for use in decibel meters and voice recording devices. The 6.0 × 2.7mm compact profile and pre-soldered wire leads offer easy installation into tight spaces or portable units, ensuring reliable performance in both consumer and industrial applications.
Features
- High sensitivity: precisely, brilliantly record sound -38±2dB.
- A musical concert covers the frequencies 50–2000 Hz.
- Its modest dimensions-6.0 x 2.7 mm-help it to be integrated into numerous sorts of instruments.
- A 60dB improvement in S/N ratio yields less background noise and better clarity.
Applications
|
|
|
Sound Pressure Measuring ModulePerfect for integration into decibel meters, this microphone capsule provides consistent acoustic responsiveness across a wide frequency range. Its omni-directional pickup ensures accurate noise level monitoring in environmental, industrial, or consumer-grade SPL meters. |
Portable Voice Capture DeviceIdeal for voice recording devices, this electret microphone captures natural sound with minimal distortion. Whether for dictation tools, digital notetakers, or handheld voice logs, it delivers reliable audio clarity in compact electronics. |
specifications
| Name | Parameter |
| Model | ECM-B6027AL38-L80-90 |
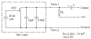
| Sensitivity | -38±2dB |
| Output impedance | 2.2KΩ |
| Directivity |
omni |
| Frequency range | 50-20000HZ |
| Maximum SPL | 110dB |
| S/N Ratio | 60dB |
| Dimensions | 6.0*2.7mm |
|
|
|
Why Choose Us
The 6027 Electret Condenser Microphone with Soldering Wire is manufactured with top-grade materials under tightly controlled production conditions. Our expertise in soldered lead microphone capsules ensures long-term stability and reliability, especially for brands building decibel monitoring systems or high-accuracy recorders. Trusted by manufacturers worldwide, we prioritize ease of use, consistent sensitivity, and robust construction.
Hot Tags: 6027 electret condenser microphone with soldering wire, China 6027 electret condenser microphone with soldering wire manufacturers, suppliers, smartphone microphone, microphone for live performance, silicon microphone, customer service microphone, dual microphone setup, shotgun microphone
Next
No InformationYou Might Also Like
Send Inquiry









