9750 Electret Condenser Microphone
With its bidirectional pickup pattern, this electret condenser microphone capsule captures sound from both front and rear while reducing noise from the sides. It features a compact 9.7 × 5.0mm size, sensitivity of -48±2dB, and supports a frequency response from 100Hz to 16kHz. Designed for environments where speech comes from multiple directions, it offers accurate vocal reproduction with a high SPL handling of up to 110dB-making it ideal for integration into professional communication systems and headsets.
Features
- High Sensitivity: -48±2dB for detailed sound capture.
- Bidirectional: Designed for capturing sound from both front and rear.
- Compact Size: Dimensions of 9.7 × 5.0mm for versatile integration.
-
Good Signal-to-Noise Ratio: 56dB for clear audio reproduction.
Applications
|
|
|
|
Built for Clear Pilot–Co-Pilot
Communication |
Balanced Voice Pickup for Dual-Sided Headsets Ideal for stereo communication headsets, this capsule ensures consistent vocal clarity whether you're speaking from the left or right. The bidirectional pattern provides natural audio balance, making it suitable for customer service teams, interpreters, or environments requiring flexible mic positioning without sacrificing sound quality.
|
specifications
| Name | Parameter |
| Model | ECM-F9750NL-48 |
| Sensitivity | -48±2dB |
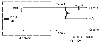
| Output impedance | 680Ω |
| Directivity | bid |
| Frequency range | 100-16000HZ |
| Maximum SPL | 110dB |
| S/N Ratio | 56dB |
| Dimensions | 9.7*5.0mm |
|
|
|
Why Choose Us
We specialize in manufacturing bidirectional microphone components optimized for headsets and communication gear. Our focus on dual-directional voice capture ensures consistent performance in scenarios where sound input comes from both sides-such as aviation intercoms or two-person communications. Each unit is produced with strict acoustic matching standards, ensuring reliable voice clarity in demanding, noise-sensitive environments.
Hot Tags: 9750 electret condenser microphone, China 9750 electret condenser microphone manufacturers, suppliers, microphone for travel videos, microphone for wedding videos
Previous
6026 Electret MicrophoneNext
No InformationYou Might Also Like
Send Inquiry









